
HN7D系列 80机座 (有/无抱闸)
产品型号:HN7D-08
产品简介:HN7D系列 经济款伺服电机 机座尺寸60、80,分为有/无抱闸款式; 机身颜色分为黑/银,可能根据要求进行定制;
- 产品介绍
HN7D系列
电压规格:AC220V
编码器:17Bit/23Bit绝对值
功率覆盖:200W-1KW
额定扭矩:0.64N.m-3.82N.m
法兰尺寸:60#、80#

HN7D-08不带抱闸

HN7D-08带抱闸
产 品 规 格

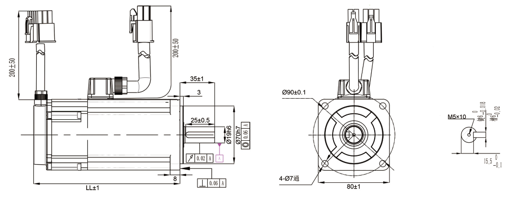
产 品 尺 寸


来源:http://www.hinitech.com.cn/product926754.html
发布时间:2025-11-13 11:24:34



