
HN7H系列 80机座 (低惯量)
产品型号:HN7HL-08 低惯量
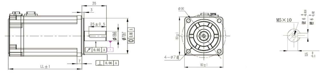
产品简介:HN7H系列 接插件款伺服电机 机座尺寸40、60、80,分为有/无抱闸款式; 惯量规格:HN7H中惯量 、HN7HL低惯量 、HN7HH高惯量 机身颜色分为黑/银,可能根据要求进行定制;
- 产品介绍
HN7H系列
电压规格:AC220V、AC380V
编码器:17Bit/23Bit绝对值
功率覆盖:50W-1KW
额定扭矩:0.16N.m-4.77N.m
惯量规格:HN7H中惯量 、HN7HL低惯量 、HN7HH高惯量
法兰尺寸:40#、60#、80#

HN7HL-08不带抱闸

HN7HL-08带抱闸
产 品 规 格

产 品 尺 寸


上一篇HN8G系列 130机座 (中/高无抱闸)
下一篇:没有了
来源:http://www.hinitech.com.cn/product926905.html
发布时间:2025-11-24 10:55:45



